APRS SUMMARY: This project is s simple 2 wire interface between the ubiquitous Radio Shack antenna rotator and 2 bits on a parallel port. APRStk.EXE (a version of APRSdos) supports it. I hope other APRS programs might consider it as well. Any rotator which operates on about 30 volts AC and rotates at 1.0 RPM should work as well. Read these instructions ENTIRELY before you start working on your rotator to be sure you understand which rotator you have and which wire is which…
WHY THIS WORKS: For almost all of the Low Earth Orbiting (LEO) amateur satellites a modest beam antenna is more than adequate to bring in signals from the digital packet and voice FM downlinks to your dual band FM radio. This Practical Rotator System can add full automatic antenna control to your PC for under $90. This is a bargain compared to the $750 required for a Kansas City Tracker and Yeasu AZ/EL Rotator system.
The APRS rotator takes advantage of the geometry of low earth orbiting satellites which are within view of a 10 degree fixed elevation beam over 96% of all pass times. In this region, using a short 4 to 6 element beam, your station will be able to maintain over 10 dB of relative gain on the bird whenever it is in view. Low Earth orbits are unique because:
· 4-6 elements are enough gain to be above digital and FM voice thresholds
· Most LEO birds are mostly vertical polarization most of the time.
· LEO satellites are below 45 deg 95% of the time and 6 to 10 dB closer when above it as shown below:
The drawing below shows the Earth and the typical LEO orbit to scale. It is clearly seen, that satellites are rarely “overhead” and spend most of their in-view times well below 30 degrees. Another revealing observation is that when satellites are higher in elevation, they are also 6 to 10 dB closer. This means that for operating LEO satellites, you need maximum gain on the horizon and can get by with minimial gain at high elevations. Angles are shown on the left and percents and path loss are shown on the right.

Now lest superimpose a typical 6 element beam antenna pattern pointed at the horizon on the range and angle plot above. The 6 element beam shows about 10.5 dBi gain towards distant satellites on the horizon which falls off by 3 dB at 30 degrees and by about 7 dB at 45 degrees. This antenna would perform EXCELLENTLY as both a terrestrial and satellite antenna, since almost 85% of all satellite pass times are within the 3 dB beamwidth of the antenna. And the other 15% above 30 degrees are easily 10 dB closer as shown above!

The savy operator will note that still fully half of all satellite passes are below 15 degrees, and this horizontal beam is giving up about 1 dB at 15 degrees. And since ground reflection and usual obstructions block the 0 to 5 degree horizon for most people, then th e best all around fixed elevation antenna should be elevated NO MORE than 15 degrees. As shown below, this results in additional gain for the small time the satellite is above 30 degrees with no sacrifice below 30 degrees. But in no case should the antenna be elevated any further because the loss of gain in the 0 to 15 degree range where satellites spend fully 50% of their time should not be compromised.

The following table is a plot of overall gain for the elevation angles shown. Notice the cumulative percent column showing 96% of all pass times are below 50 degrees. This shows how a beam aimed about 10 to 15 degrees above the horizon will give you maximum gain on the horizon where you need it most, and yet still give you a good signal all the way in closer and higher to overhead. As the gain of the beam drops off at high elevation, that gain is made up by the satellite being much closer. Tilting an antenna any higher than about 15 degrees will sacrifice gain where you need it most, and give you gain where you need it least. Of course, if you cannot see the horizon from your location, then a higher up-tilt makes sense, but then, a smaller antenna probably 3 or 4 elements will do.
EL PCT CUM-% RANGE RNG-GAIN ANT-GAIN OVERALL-GAIN
--- --- ----- ----- -------- -------- ------------
10 32 32 3030 0 10 10
20 35 67 2440 2 10 12
30 17 84 1827 5 9 14
40 8 92 1460 6 7 13
50 4 96 1190 7 6 13
60 2 98 1020 9 3 12
* Data for an 800 km orbit. For the ISS at 370 km, the times below 30 degrees are 6% higher.
* If your horizon is blocked below 5 degrees anyway, elevate the beam to 20 deg to improve gain (+2 dB)
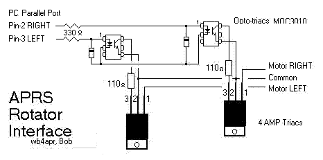
CONSTRUCTION: The interface is built on a small perf board and placed inside the rotator and accomplishes the following objectives:
1) Adding an ON/OFF switch to select manual or PC controlled operation.
2) Adding ventilation holes to keep the transformer cool. After this mod, the primary of the transformer is always on, so the transformer runs somewhat warmer than normal.
3) Adding the TRIAC's and optoisolators to interface the PC to the ARCHEROTOR wiring. This circuit uses a special balanced optoisolator design so that there is no chance that the bits on the parallel port can cause both TRIAC's to switch on at the same time. The rotator goes left or right depending on the polarity of the logic level applied to the two wires.
MODIFICATION PROCEDURES:
The day I finished this set of procedures for the ARCHEROTOR model 15-1225 I went to buy another and now it is a new 15-1245 model. Fortunately electrically they are the same. The 1245 does have better ventilation, but the cover is harder to get off. Differences are noted where they apply.
1) OPEN: Remove the controller top plastic cover by inserting a thin screwdriver in the four slots around the edge and pressing the lower halfshell outward. (New model, remove the screw in the bottom and then insert a knife in either side 1” in from the front or back. When it pops open slightly, work the knife around to the other 4 snaps and it should come off easily).
2) ADD VENTILLATION, BOTTOM: Remove the two screws holding the transformer in place and any tiewraps and lift it out of the way. Using a 1/4" drill bit or larger, drill 14 holes in obvious places. There would be 4 rows of 4 holes but you do not drill out the mounting posts for the 2 screws you just removed. Also drill a 1/4" hole in extreme lower right front of the base for our new ON/OFF switch. (New one: drill 4 rows of 4 holes in the transforemer area).
3) ADD VENTILLATION, TOP: In the back and left sides of the top, drill 5 or 6 evenly spaced holes near the transformer. Do NOT louse up the appearance of the top by drilling through the top top.
4) JUMPER AC, ALWAYS ON: There are two black wires to the controller’s switch. One goes to a transformer lug and the other to a wire nut. Jumper between the transformer lug and the wire nut so the AC is always on to the transformer primary. (New model, the wires are black and white. Clip off the crimp-on wire nuts on these TWO wire junctions, tape off the B&W wires (now unused) and join the AC line and other black wire under a new screw-on wire nut. The crimp nut with the surge protector grounded to the Transformer remains untouched.)
5)
· Slide back heatshrink covering the connection of the two yellow motor wires and the transformer wire and separate them. Thread the two motor wires over to the top of the left side of our switch. Solder a jumper to extend the yellow transformer wire over to the middle post of the same switch side. (New model. Cut lose the tie-wrap holding all the wires in place. You will find a sleeve over a junction between a RED from the transformer to the two wires (now black and clear) going to the indicator motor.)
· Unsolder the brown wire (which goes to the controller’s manual switch knob) from the transformer and feed it under and around to the top post of the right side of our new ON/OFF switch. Take a new 10" wire from the middle post of our new switch back to this same post on the transformer. (New model. Its still a brown wire but spliced to a black transformer wire instead of a transformer post )
· Add a new 8" wire to jumper from the bottom post of our new switch and run it to the "common" connection on the TRIAC board.
6) BUILD TRIAC BOARD according to the sketch and mount under the upper right screw that holds the transformer in place. Solder two short jumpers from the Triac outputs down to the screw terminals #1 and #2 going to the external rotator. Left or right, 1 or 2 doesn’t matter. The circuit is symetrical.)
· Insert the Triacs from the bottom and let pins protrude about 3/16ths inch on the top. Bolt the two Triacs together to let them heatsink each other. Bend the two center pins over each other. This is the TRIAC COMMON point. Insert the two optoisolators taking care to bend out pins#4 so that they can plug into the same perf-board hole as the pin's #2 on the Triacs. Solder.
· Cut one lead on each resistor to about 3/4" and bend it over in the shape of a horseshoe. Insert the other end wire through the board such that the horseshoe can be soldered to the gate of the Triac. Route the other lead under the board to the optoisolator's pin 6 and solder.
· Install the diodes so that the cathodes go off the edge of the board to form a connection loop and then route to the optoisolator pin #1. The anode goes under the board to the pin#2 on the opposite opto-isolator.

7) PC CABLE: Solder the 2 pin connector onto the end of the zip cord and add strength and protection with the two pre-cut pieces of heat shrink tubing. Sorry the first batch are right angle. You may want to flatten a little with a pair of pliers. At least they are gold plated. Thread it through the back of the rotator housing, put the two leads through the ferrite bead and solder to the TRIAC board as bit inputs for right and left. Obviously, you may want to replace my two pins with a real DB-25, but I find the two pins far easier to take in and out of my laptop every morning and evening than fighting all 25 pins of a DB25 when only 2 are used.
8) TESTING: Before replacing the cover, take a 9 volt battery in series with a 560 ohm resistor to test your circuit. Momentarilly connect it one way to the PC leads and then the other. The rotator should rotate one way and then the other.
9) FINISH: Replace top cover. Insert the two-pin plug into the pins 2 and 3 of your parallel printer port LPT-1. Sending a 1 to the port 888 will cause the rotator to go LEFT. Sending a 2 to the port will cause the rotator to go RIGHT. Pins 2 ans 3 are the 2nd and 3rd ones in from the upper right on the top row (the longer row) . If it goes the wrong way, just plug the two pins in the other way.
WARNINGS AND CAUTIONS:
1) Any antenna and rotator system is a natural lightening rod which will attract lightening. Connecting any such device to your computer is risky in the case of a near or direct lightening hit. This circuit has been designed with optoisolators for over 5000 volts of protection of the PC circuit from the AC and antenna circuits; but this will not protect your station or computer from a direct hit. USE AT YOUR OWN RISK.
2) The APRS modifications to this ARCHEROTATOR will keep the transformer primary circuit always connected to 115 volt power no matter what the position of the ON/OFF - AUTO/MANUAL switch. There will be some heat build up in the plastic housing and this must be allowed to escape through the ventilation holes provided in the instructions above. Whenever the rotator is not to be used for an extended period of time, it should be unplugged.

If your rotator is different than 1 RPM, change the constant in the APRStk config file to match your speed. See CFIGK20.APR in your root directory. The value “6” near the end is for 6.0 degrees per sec.
NOTE! The NEW ROTATOR model 15-1245 appears to move at 5.6 deg / sec. Measure yours. You may need to change your CFIG file.
