ANDE - MAA Documents 50.8 kg
US Naval Academy Satellite Lab
Bob Bruninga, WB4APR

Midn's Orloff(05), Kinzbrunner(05), Rose(05) and Schwarzer(05)
Midn's Aaron(04), Villalbi(04), and Weisenberg(04)
Midn's Kelley(03), Keller(03), Harris(03), Patterson(02), & Ensign Sillman(02)
Antenna Designers/Modelers: Bob WB4APR, Phil KF8JW, Bobby WB8FEW, Bob KC8QPM & Rick K8CAV

MAIN ANDE Page: See also the main ANDE page that describes the mission, purpose and application of the ANDE spacecraft project.

DOCUMENTATION PAGE: This page will contain the latest drawings and documents related to the ANDE project:

  • Flight Functional RF Test Plan(download)
  • Power System Safety Clarifications download (rev 3, 13 July 06)
  • Laser Power Modifications.
  • Drawing List and numbering plan
  • Parts List(MS Word format)
  • Functional Test Plan(text file)
  • Laser Functional BOX level Test Plan


    Antenna Matching PI Circuit
    SWR Testing

    ANDE LICENSING: ANDE is Licensed for operations in the Amateur Satellite Service

    LITHIUM PRIMARY BATTERY POWER SYSTEM: ANDE runs on 112 "D" cell Lithium thionylchloride cells arranged in 4 packs of 7 strings of 4 cells in series. For higher resolution photos than these, see batteries in box and battery box on disk


  • Battery Box Preliminary design sketches: Cell Arrangement, Circuit Board, initial concept.
  • Battery Board Schematic Drawing and Battery Board PCB layout
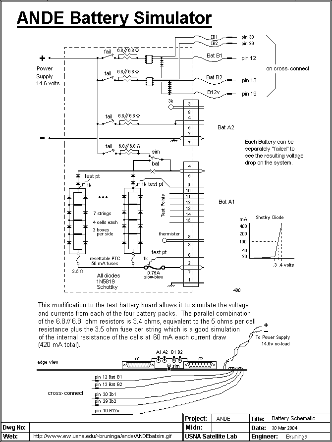
  • Battery simulator.
  • Battery Life Management uses 2 battery systems separately to yield measurable life data. Earlier plan
  • Present design yields 1.5 year Power Budget. The lithium discharge profile is very flat to end of life.
  • Primary Lithium Battery Type: Tadrian TL-5930. Thermal Specific Heat test .
  • Separation Switches location, Detail Sketch, and Sep Switch Functional Block Diagram.

    Lithium Battery Testing:

  • Inadvertant Separation Switch Activation analysis.
  • Lithium Battery Reverse-Charge Test Plan, Test Schematic, and Cell Discharge Test configuration.
  • 1st Lithium Battery Reverse-Charge Test: Voltage, Current, and Temperature.
  • 2nd Lithium Battery Reverse-Charge Test: Voltage, Current, and Temperature and Cell current.
  • 3rd Lithium Battery Reverse-Charge Test #3 Test Plan
  • Flight Inspection: Test Plan, Test Report. High Temperature Test Plan, and Test Report
  • Cell acceptance Test Plan: Hot (85C) Test Plan
  • UL Report on Tadiran batteries. Follow this link and enter the report number MH12193. Click here

    WIRING HARNESS AND CABLING: The cabling and wiring design is 98% complete. Only the following issues remain to be resolved: Exact connector for GSE, and exact connector for Laser harness. Also how to mount the two shell connectors and the cross-connect connectors is still open.

  • Antenna cabling (New 5 Aug 2005)
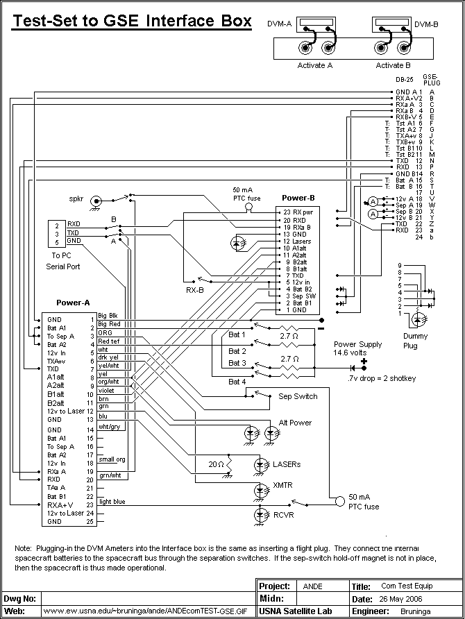
  • Flight/GSE Plug , GSE Test Plan. GSE Test Set, GSE Interface Box.
  • Cable Layout (preliminary concept Sep 04)
  • Connector and Wiring harness layout (22 Mar)
  • Wiring diagram (rev 2, 10 May 05), Old Wire diagram (Mar 05), Old Wire diagram (Sep 04).
  • A side Wiring List Spread Sheet (New 20 July)
  • B side Wiring List Spread Sheet (New 20 July)
  • Separation Switch Test Report.

    COMMUNICATIONS SYSTEM:

    The communications system consists of a Kantronics KPC-3+ TNC, a Hamtronics transmitter and receiver and a custom interface board to hook it all together. These are all mounted in a 1" tall box on top of the battery boxes.

  • Flight TX modifications and assembly, and RX mods and assembly.
  • Comm Interface Test Set . and Test Plan. [New 14 May 05]
  • TX-RX Connections. [New 14 May 05]
  • Interface Board and Comms tray Layout.
  • Interface Board Printed Circuit Design.
  • Interface Board Parts Locations.
  • Sleep/wake timer... See the background TNC-ON Transients, OFF-Transients, and DCD Detection waveforms.
  • Text-to-Speech Schematic.... with the supportingText description and a link to the MFR's documentation.

    TELEMETRY SYSTEM:

  • TNC Mods for Telemetry and a Photo of TNC mods to bring TLM to DB-25 connector
  • Sensors.
  • Telemetry Equations.
  • Telemetry Schematic, Old version.
  • Telemetry Conditioning Circuits.
  • Thermister Curve

    ANTENNA SYSTEM:

  • Antenna cabling (New 5 Aug 2005)
  • T/R Switching Circuit
  • Preliminary Antenna Matching Circuit.
  • Prelimiinary Antenna testing connections.
  • Preliminary SWR resonance achieved at 145 MHz. on orignal Peterson Model.

  • Debugging problems
  • TNC ROM defaults.

    Background notes and supporting justification used in the design:

  • Terminal Node Controller (photo)
  • VHF 3 Watt Transmitter (photo)
  • VHF receiver (photo) (pots are removed for flight model).
  • ANDE Frequency Selection (2m downlink) and the actual IARU Frequency Request
  • ANDE User Expectations
  • Link Budget
  • Click here to download EXPRESSPCB.pcb file. Use the free ExpressPCB software to view it.
  • Telemetry Multiplexer , RunTime Counter, and Interface Board changes required .
  • Telemetry format and equations .

    Other Documents and drawings:

  • Two man lift system.
  • GSE Test Equipment and Test Plan.

    Here are several additional PHOTOS, DRAWINGS and Documents reorganized by topic:

  • The Prototype
  • Preliminary Internal Structure Sketch

    You are visitor: since 1 October 2002.

    Send comments, suggestions, feedback to bruninga@usna.edu

    Obsolete ideas:

  • The original COMM plan
  • Original Comms proposal
  • Suggested Morse Code sequence for Lasers.
  • Original A/B Battery/Shell Harness and A/B Cross Connect harness.
  • Temprorary Sketch of possible sep system
  • Look at this idea for mounting the Laser Driver on the shell.
  • Sep Switch locations
  • Space Test Program Payload Requirements Document
  • A commercial wideband spherical antenna design. Probably not applicable to our needs.
  • Drawing template .

    USNA Satellite Ground Station

    Midshipmen Amateur Radio Club